单向锁作用:
一般用来封闭液压支架千斤顶活塞腔的压力液,也用于封闭活塞杆腔。
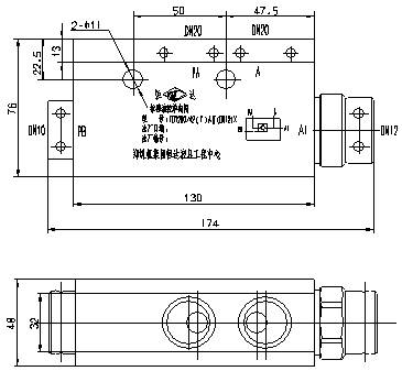
一、单向锁结构特点
本阀选用不锈钢材质,联接形式为管式连接;插装式阀芯组件,结构紧凑,拆装维护方便;密封副为金属锥面密封结构,寿命长;静密封位置采用优质密封件密封,密封可靠。
二、单向锁使用位置:
单向锁使用在液压支架千斤顶上面,用来锁闭千斤顶上腔或者下腔。
三、单向锁的常见型号:
DSF、ZDS、 DS10、YD-PK125/40、 YD-PK200/40、YDF-42/200G、ZDF-42/2、ZDS16A、FDY480/50
四、单向锁工作原理图:
五、单向锁工作原理:
单向锁,它包括阀体,开设在所述阀体内的阀腔,设置在所述阀腔内的阀座、阀芯、阀芯回位弹簧,以及开设在阀体上与阀座一侧阀腔相通的进液口和与阀芯一侧阀腔相通的出液口;所述阀腔为贯穿阀体的通腔,在阀腔左端口螺纹密封连接有端套,所述阀芯回位弹簧设置在所述端套孔腔内;所述阀座镶嵌在阀座套上;在阀座一侧阀腔内密封滑动设置有顶杆,所述顶杆延伸到阀座套内,在顶杆上套装有顶杆回位弹簧;阀腔右端口通过螺纹塞堵密封;位于螺纹塞堵与顶杆之间的阀腔与开设在阀体上的控制液进口和控制液出口相通。
六、单向锁常见故障、原因及处理方法:
|
单向 锁 |
不能闭锁油路 |
1、阀芯与阀座密封处有杂物。 2、阀垫或O形圈损坏。 3、阀芯多次冲击变形,蹩卡不复位。 4、与之配套的安全阀损坏。 |
1、拆卸清理杂物。 2、更换密封件。 3、更换阀芯或整体更换 4、更换维修。 |
|
闭锁腔不回液 立柱千斤顶不 降柱 |
1、顶杆变形、折断、打不开阀芯。 2、顶杆处密封损坏,向回路串液。 3、控制油路堵塞,不通液。 4、顶杆与壳体或阀套蹩卡,推不动。 |
1、更换顶杆。 2、更换密封件。 3、检查管路,保障畅通。 4、更换。 |
|
|
立柱上腔涨缸 |
1、液控腔不回液或阀接板孔不透。 2、弯头、胶管等管路不通。 3、回液截止阀、回油断路阀没打开。 4、操纵阀不回油或打开间隙太小。 |
1、检查更换。 2、检查更换。 3、打开截止阀。 4、维修操纵阀。 |
七、公司简介:
郑州千泓机械设备有限公司自成立以来,一直长期致力于液压支架配件生产销售和设备维修,公司主打产品有液压支架配件:立柱千斤顶类、结构件、直属件、阀类、液压管路件、密封件、标准件、胶管总成等等;刮板输送机配件;采煤机配件;掘进机配件;皮带输送机配件;煤矿上所需其它设备及配件等等。公司液压支架配件主要配套厂家有:郑煤机、郑州四维、林州重机等煤机厂家。
公司以液压支架配件销售为龙头,公司将秉着“以产品质量为企业生命,以诚实守信为立足之本,以用户需求为追求目标”的经营理念,不断拓展产品及产业的未来发展空间,不断提高经营决策水平、管理水平和服务水平,逐步发展壮大成具有强大竞争力的企业,为推进煤炭高产高效成套技术装备的应用做出更大贡献。
联系电话:13043718886;电话:0371-66291333;QQ号:1919292399。














